Защита кузова автоРешен
Здравствуйте. Можно получить подробную информацию по приведённой схеме: описание работы, номиналы деталей?
Спасибо.
Здравствуйте. Можно получить подробную информацию по приведённой схеме: описание работы, номиналы деталей?
Спасибо.
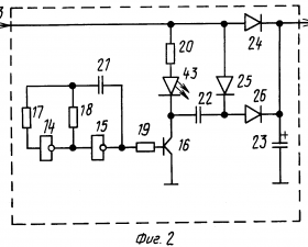
Здравствуйте. На схеме изображен генератор прямоугольных импульсов на элементах «нет» (инверторах). В качестве инверторов (детали 14-15) можно использовать микросхему К564ЛН2, Параметры резисторов 17-18 и конденсатора 21 зависят от желаемой частоты импульсов. Работа остальных элементов зависит от подключения этого устройства.
